产品中心PRODUCTS CENTER

产品展示

首页>产品中心>致动器>杠杆式气爪

杠杆式气爪

产品分类:杠杆式气爪

简要描述:Harmo 制 工业机器人零件

  • 企业实力

    Enterprise Strength
  • 有效保修

    Valid Warranty
  • 质量保障

    Quality Assurance

产品中心

PRODUCT CATEGORY

产品介绍

9cfd4382ee7953c31e5cf5d5929ad515_19254794-28fc-4f80-af45-8ba56be3be1d.png

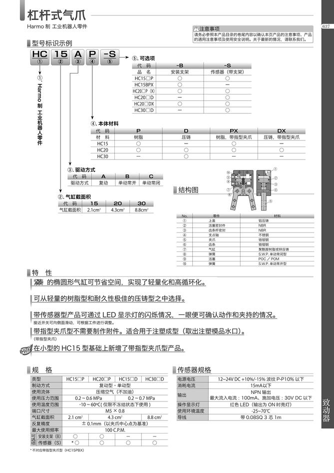
紧凑的椭圆形气缸可节省空间,实现了轻量化和高循环化。

可从轻量的树脂型和耐久性极佳的压铸型之中选择。

带传感器型产品可通过LED 显示灯的闪烁情况,一眼便可确认动作和夹持的情况。

带指型夹爪型不需要制作附件。适合用于注塑成型(取出注塑模品水口)。

在小型的HC15 型基础上新增了带指型夹爪型产品。


技术参数


016b5ead10eb1cc9df5865a34122634c_f0116faa-4947-4e6e-847c-ef9563dec984.jpg

2f62c4b7ea7f72483cb925d1bcc1fd94_8e8ca258-04d8-48e4-98fd-c82baa8e1c42.jpg


产品咨询

留言框

  • 姓名:

  • 电话:

  • 常用邮箱:

  • 补充说明:

  • 验证码:

  • 上一篇:没有了!
  • 下一篇:没有了!

相关产品

SCROLL
联系人:徐先生
手机:13816461646
电话:021-51863388
地址:上海市黄浦区北京东路668号科技京城西楼20H

Copyright © 2025 pisco.co All Rights Reserved.     备案号:沪ICP备10003540号-10

sitemap.xml



TEL:021-51863388