产品中心PRODUCTS CENTER

产品展示

首页>产品中心>控制·气源处理>耐火花型调速阀

耐火花型调速阀

产品分类:耐火花型调速阀

简要描述:耐火花用速度控制阀

  • 企业实力

    Enterprise Strength
  • 有效保修

    Valid Warranty
  • 质量保障

    Quality Assurance

产品中心

PRODUCT CATEGORY

产品介绍

c6c33b1c913eb3f931dcf98cc8c64fbd_248ca025-e186-45f3-924b-97a96e46f095.PNG

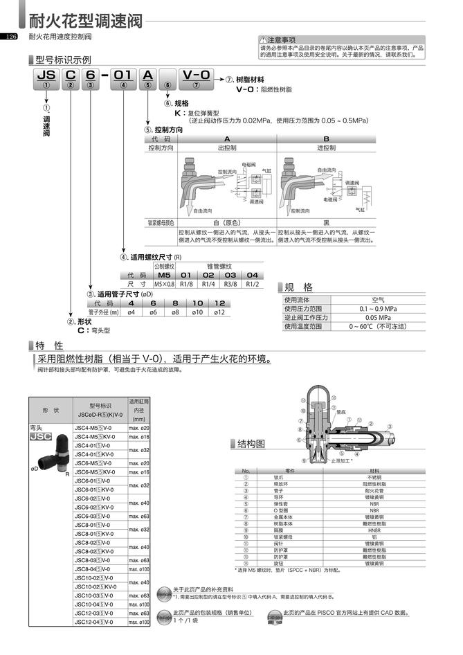
采用阻燃性树脂(相当于V-0),适用于产生火花的环境。
阀针部和接头部均配有防护罩,可避免由于火花造成的故障。

技术参数

968e19c043640152c3e3c42a61a3f256_2d6e69a4-8be8-4d14-943f-87ef292ef718.jpg


产品咨询

留言框

  • 姓名:

  • 电话:

  • 常用邮箱:

  • 补充说明:

  • 验证码:

  • 上一篇:JSC
  • 下一篇:没有了!

相关产品

SCROLL
联系人:徐先生
手机:13816461646
电话:021-51863388
地址:上海市黄浦区北京东路668号科技京城西楼20H

Copyright © 2025 pisco.co All Rights Reserved.     备案号:沪ICP备10003540号-10

sitemap.xml



TEL:021-51863388