产品中心PRODUCTS CENTER

产品展示

首页>产品中心>控制·气源处理>黄铜调速阀

黄铜调速阀

产品分类:黄铜调速阀

简要描述:耐高温,耐火花用速度控制阀

  • 企业实力

    Enterprise Strength
  • 有效保修

    Valid Warranty
  • 质量保障

    Quality Assurance

产品中心

PRODUCT CATEGORY

产品介绍

b27a91e2fce611d179ad51e681bdb553_c05bb5f3-ea6b-407d-b4fb-42d00c1b95b3.PNG

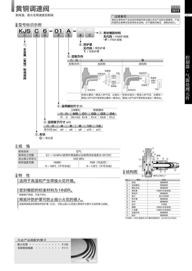
适用于高温和产生焊接火花环境。

密封橡胶的标准材料为HNBR。

释放环防护罩可防止细小火花的侵入。


技术参数

7770fc71699ae643332a6aae18ab9a1b_8e6171aa-0b19-4b06-a1e2-3226133be308.jpg


产品咨询

留言框

  • 姓名:

  • 电话:

  • 常用邮箱:

  • 补充说明:

  • 验证码:

  • 上一篇:KJSC
  • 下一篇:没有了!

相关产品

SCROLL
联系人:徐先生
手机:13816461646
电话:021-51863388
地址:上海市黄浦区北京东路668号科技京城西楼20H

Copyright © 2025 pisco.co All Rights Reserved.     备案号:沪ICP备10003540号-10

sitemap.xml



TEL:021-51863388